Бренды
Акции
Услуги
  • Ремонт техники
Компания
  • О компании
Блог
Информация
  • Реквизиты
  • Магазины
Контакты
Frilly
    +7(916) 106-54-84
    +7(916) 106-54-84Интернет магазин
    +7 (995) 788-59-62Менеджер
    +7 (929) 605-16-50Менеджер
    Заказать звонок
    E-mail
    zakaz@techsad.ru
    Адрес
    г. Наро-Фоминск, ул. Полубоярова 1а
    Режим работы
    Пн. – Вс.: с 9:00 до 19:00
    Заказать звонок
    ТЕХСАД
    Каталог
    • ADA
      ADA
      • Аксессуары      
        • Аксессуары для лазерного инструмента
      • Дальномеры      
        • Лазерные дальномеры (лазерные рулетки)
      • Дорожные измерительные колеса (курвиметры)
      • Лазерные уровни
      • Мотобуры      
        • Аксессуары для мотобуров
        • Мотобуры
      • Нивелиры      
        • Оптические нивелиры
        • Ротационные нивелиры
      • Приборы контроля и диагностики      
        • Видеоскопы
        • Детекторы металла, проводки, дерева.
        • Измерители влажности
        • Измерители прочности бетона (склерометры)
        • Измерители скорости потока воздуха (анемометры)
        • Измерители температуры
        • Пирометры
        • Тепловизоры
        • Толщиномеры
        • Штангенциркули
        • Шумомеры
      • Рулетки
      • Теодолиты      
        • Электронные теодолиты
      • Угломеры и уклономеры      
        • Угломеры
        • Уровни строительные
        • Электронные уровни, уклономеры
      • Штативы      
        • Геодезические штативы
        • Штативы для лазерных уровней
      • Электроизмерительные приборы
      • Еще
    • AFFIX
      AFFIX
      • Автосервисное оборудование      
        • Вспомогательное оборудование
        • Замена масла и жидкостей
        • Малая диагностика
      • Ручной инструмент      
        • Измерительный инструмент
        • Ключи
        • Наборы инструмента универсальные
        • Отвертки
        • Резьбонарезной инструмент
        • Торцевые головки и принадлежности
        • Торцевые головки, насадки и принадлежности ударные
        • Торцевые насадки и вставки (биты)
        • Шарнирно-губцевый инструмент
        • Шестигранники, TORX, SPLINE
      • Сопутствующие товары      
        • Канистры
      • Специнструмент      
        • Вспомогательный инструмент
        • Выхлопная система
        • Газораспределительный механизм
        • Колеса автомобиля
        • Подвеска автомобиля
        • Поршневая группа
        • Ремонт кузова
        • Ремонт салона
        • Ремонт стекол
        • Рулевое управление
        • Система зажигания
        • Система кондиционирования
        • Система охлаждения
        • Система питания
        • Система смазки
        • Тормозная система
        • Трансмиссия
        • Электрооборудование
    • AL-KO
      AL-KO
      • Больше товаров      
        • Воздуходувки и садовые пылесосы
        • Генераторы
        • Грили Masport
        • Для маленьких садоводов
        • Для строительных площадок
        • Кусторезы
        • Мотоблоки
        • Мотокультиваторы
        • Мультиинструмент
        • Роботы-газонокосилки
        • Садовые катки
        • Садовые тракторы
        • Фронтальные газонокосилки
      • Водоснабжение      
        • Аксессуары для водоснабжения
        • Насосные станции
        • Погружные насосы
        • Садовые насосы
        • Шланги
      • Снегоуборочная техника      
        • Аккумуляторные снегоуборщики
        • Бензиновые снегоуборщики
        • Электрические снегоуборщики
      • Уход за газоном      
        • Аксессуары для ухода за газоном
        • Аэраторы
        • Газонокосилки
        • Триммеры и мотокосы
        • Шпиндельные газонокосилки
      • Уход за садом      
        • Аксессуары для ухода за садом
        • Дровоколы
        • Измельчители
        • Принадлежности для бензопил
        • Цепные пилы
    • CHAMPION
      CHAMPION
      • Аккумуляторы и ЗУ
      • Аэраторы и скарификаторы
      • Вибраторы для бетона      
        • Валы для вибраторов
        • Вибраторы
      • Виброплиты
      • Воздуходувки
      • Высоторезы
      • Газонокосилки      
        • Аккумуляторные газонокосилки
        • Аксессуары
        • Газонокосилки бензиновые
        • Газонокосилки электрические
        • Механические газонокосилки
        • Ножи для газонокосилок
        • Роботы газонокосилки
      • Генераторы
      • Двигатели
      • Диски алмазные
      • Дровоколы
      • Измельчители
      • Канат запускной
      • Канистры, ёмкости
      • Культиваторы и мотоблоки      
        • Мотоблоки
        • Навесное оборудование
      • Масла и смазка
      • Мойки высокого давления      
        • Акксесуары
        • Мойки
        • Шампуни
      • Мотобуры      
        • Мотобуры
        • Ножи для шнеков
        • Удлинители шнеков
        • Шнеки для буров
      • Мотодрель
      • Мотоножницы
      • Мотопомпы      
        • Аксессуары
        • Мотопомпы
      • Опрыскиватели
      • Очки и щитки
      • Пилы      
        • Аксессуары
        • Бензиновые пилы
        • Заточка и клепание цепей
        • Цепи
        • Шины для пил
      • Подметальные машины
      • Сварка
      • Свечи
      • Снегоуборщики
      • Триммеры      
        • Электротриммеры
        • Аккумуляторные триммеры
        • Бензотриммеры
        • Корд триммерный
        • Ножи и диски для триммеров
        • Ремни для триммеров
        • Триммерные головки
      • Еще
    • DAEWOO
      DAEWOO
      • DeWORKS      
        • Садовая техника
      • Авто товары      
        • Автокомпрессоры
        • Автопылесосы
        • Домкраты
        • Зарядные устройства для автотоваров
        • Манометры
      • Масла и смазки      
        • 2-х тактные масла
        • 4-х тактные масла
        • Цепные масла
      • Садовая техника      
        • Аккумуляторная техника
        • Аэраторы и скарификаторы
        • Водоснабжение и полив
        • Воздуходувки-пылесосы
        • Газонокосилки
        • Измельчители садовые
        • Культиваторы и мотоблоки
        • Кусторезы
        • Мойки высокого давления и аксессуары
        • Мотокосы
        • Опрыскиватели
        • Снегоуборщики
        • Цепные пилы
      • Силовая техника      
        • Генераторы
        • Компрессоры
        • Сварочное оборудование
        • Стабилизаторы напряжения
      • Электроинструмент      
        • Дрели ударные
        • Дрели-шуруповерты аккумуляторные
        • Лобзики
        • Отвертки аккумуляторные
        • Перфораторы
        • Пилы дисковые
        • Пылесосы строительные
        • Рубанки
        • Углошлифовальные машины
        • Фены технические
    • DENZEL
      DENZEL
    • Eurolux
      Eurolux
      • Климатическая техника      
        • Конвекторы
        • Обогреватели
        • Тепловые пушки
      • Лампы      
        • LED лампы Eurolux
      • Садовая техника      
        • Бензопилы
        • Триммеры бензиновые
        • Электропилы
      • Сварочное оборудование      
        • Сварочные аппараты
        • Сварочные краги
        • Сварочные маски
      • Силовая техника      
        • Генераторы
    • FERRUM
      FERRUM
      • Автосервисное оборудование      
        • Вспомогательное оборудование
      • Металлическая мебель      
        • Верстаки
        • Комплектующие для верстаков
        • Мебель для автосервиса
        • Тележки
    • GRINDA
      GRINDA
      • Всё для сада      
        • Аксессуары для моек высокого давления
        • Все для полива
        • Парники, теплицы
        • Садовый декор
        • Садовый инвентарь
        • Садовый инструмент
        • Скамейки садовые
        • Тачки, носилки
        • Техника для сада
        • Электрические водяные насосы
      • Расходные материалы и оснастка      
        • Пилы, Полотна
      • Ручной инструмент      
        • Столярный инструмент
      • Средства индивидуальной защиты      
        • Защита глаз и лица
        • Защита рук
      • Туризм и Отдых      
        • Коптильни
        • Мангалы
        • Решетки-гриль
        • Фумигаторы
        • Шампуры
      • Хозтовары      
        • Щетки и метлы
      • Электрика и Свет      
        • Светильники и прожекторы
        • Удлинители электрические
    • Hanskonner
      Hanskonner
      • Ручной инструмент      
        • Измерительный инструмент
        • Крепежный инструмент
        • Прочий инструмент
        • Расходные материалы
        • Садовый инструмент
        • Слесарный инструмент
        • Столярный инструмент
      • Садовая и дачная техника      
        • Аксессуары для садовой и дачной техники
        • Газонокосилки
        • Мойки высокого давления
        • Пилы цепные
        • Снегоуборочные машины
        • Триммеры
      • Сварочное оборудование      
        • TIG сварка
        • Сварочные инверторы
        • Сварочные маски
      • Электроинструмент      
        • Аккумуляторный инструмент
        • Аксессуары
        • Дрели
        • Краскопульты электрические
        • Лобзики электрические
        • Отбойные молотки
        • Перфораторы
        • Пилы
        • Полировальные машины
        • Пылесосы строительные
        • Фены технические
        • Фрезеры
        • Шлифовальные машины
        • Штроборезы
        • Шуруповерты
    • HELMUT
      HELMUT
      • Бензорезы Helmut
      • Бетоносмесители Helmut
      • Виброплиты Helmut
      • Вибротрамбовки Helmut
      • Газонокосилки бензиновые Helmut
      • Генераторы бензиновые Helmut
      • Плиткорезы электрические Helmut
      • Принадлежности для генераторов
      • Принадлежности для плиткорезов
      • Триммеры бензиновые Helmut
    • HONDA(HND)
      HONDA(HND)
      • Cнегоуборщики бензиновые
      • Бензокосы
      • Бензопилы цепные
      • Газонокосилки Бензиновые      
        • Несамоходные газонокосилки
        • Самоходные газонокосилки
      • Генераторы бензиновые      
        • Генераторы для дома (рамные)
        • Генераторы инверторные
      • Запчасти      
        • Запчасти для Генераторов
        • Запчасти для Мотопомп
        • Оригинальные масла и жидкости HND
        • Тормозные диски
      • Лодочные моторы      
        • 2-тактные лодочные моторы
        • 4-тактные лодочные моторы
      • Мотопомпы бензиновые      
        • Мотопомпы для грязной воды
        • Мотопомпы пожарные (высокого давления)
    • Huter
      Huter
      • Автотовары
      • Все для строительства      
        • Виброплиты
      • Инструменты      
        • Электроинструмент
      • Мойки высокого давления
      • Расходные материалы      
        • Леска и диски для триммеров
      • Садовая техника      
        • Бензопилы
        • Воздуходувки
        • Газонокосилки бензиновые
        • Газонокосилки электрические
        • Двигатели
        • Дровоколы
        • Комплектующие для садовой техники
        • Лодочные моторы
        • Мотобуры
        • Мотокультиваторы
        • Мотопомпы
        • Опрыскиватели
        • Садовые измельчители
        • Скарификаторы
        • Снегоуборщики
        • Триммеры аккумуляторные
        • Триммеры бензиновые
        • Триммеры электрические
        • Электропилы
      • Силовая техника      
        • Генераторы
        • Комплектующие для генераторов
        • Стабилизаторы напряжения
    • Hyunday
      Hyunday
      • Автотовары      
        • Автокомпрессоры
      • Аэраторы, подрезчики дерна      
        • Электрические аэраторы
      • Воздушные компрессоры      
        • Аксессуары для компрессоров
        • Масляные компрессоры
        • Поршневые компрессоры
      • Газонокосилки      
        • Бензиновые газонокосилки
        • Электрические газонокосилки
      • Генераторы      
        • Аксессуары для генераторов
        • Бензиновые генераторы
        • Газовые генераторы (гибридные)
        • Дизельные генераторы
        • Инверторные генераторы
        • Сварочные генераторы
        • Системы автоматического запуска
      • Деревообрабатывающий инструмент      
        • Лобзики
        • Рубанки
      • Дрели-шуруповерты и гайковерты      
        • Аккумуляторные дрели и шуруповерты
        • Безударные дрели и шуруповерты
        • Ударные дрели
      • Другой инструмент      
        • Фены (термопистолеты)
      • Косы (триммеры)      
        • Аксессуары для триммеров
        • Бензиновые косы
        • Электрические косы
      • Культиваторы, мотоблоки      
        • Бензиновые культиваторы
        • Навесное оборудование
        • Электрические культиваторы
      • Опрыскиватели      
        • Аккумуляторные опрыскиватели
      • Оснастка      
        • Биты для шуруповертов
        • Буры и зубила для перфоратора SDS+
        • Пилки для лобзиков
      • Перфораторы и отбойные молотки      
        • Перфораторы
      • Пилы      
        • Торцовочные (маятниковые) пилы
        • Циркулярные (дисковые) пилы
      • Ручной инструмент      
        • Универсальные наборы инструмента HYUNDAI
      • Садовая техника      
        • Косы (триммеры)
        • Культиваторы, мотоблоки
        • Мойки высокого давления
        • Подметальные машины
      • Садовые измельчители      
        • Электрические садовые измельчители
      • Силовая техника      
        • Бензиновые мотопомпы
        • Воздушные компрессоры
      • Снегоуборщики      
        • Бензиновые снегоуборщики
      • Шлифмашины      
        • Ленточные шлифмашины
        • Полировальные машины
        • Угловые шлифмашины
        • Эксцентриковые шлифмашины
      • Электро- и бензопилы      
        • Цепные бензиновые пилы
        • Цепные электропилы
      • Электроника      
        • Зарядные устройства для аккумуляторов
      • Электрорубанки
      • Еще
    • INSTRUMAX
      INSTRUMAX
      • Дальномеры      
        • Лазерные дальномеры (лазерные рулетки)
      • Лазерные уровни
      • Нивелиры      
        • Оптические нивелиры
      • Приборы контроля и диагностики      
        • Пирометры
      • Штативы      
        • Геодезические штативы
        • Штативы для лазерных уровней
    • KING TONY
      KING TONY
      • Автосервисное оборудование      
        • Вспомогательное оборудование
        • Домкраты и подставки
        • Замена масла и жидкостей
        • Малая диагностика
        • Пневмолинии
      • Металлическая мебель      
        • Тележки
        • Ящики для инструмента металлические
      • Пневматический инструмент      
        • Пневматические гайковерты
        • Пневматические пистолеты сервисные
        • Пневматические трещотки
      • Ручной инструмент      
        • Готовые решения
        • Динамометрический инструмент
        • Диэлектрический инструмент
        • Измерительный инструмент
        • Ключи
        • Наборы инструмента универсальные
        • Отвертки
        • Режущий инструмент
        • Резьбонарезной инструмент
        • Торцевые головки и принадлежности
        • Торцевые головки, насадки и принадлежности ударные
        • Торцевые насадки и вставки (биты)
        • Ударный инструмент
        • Шарнирно-губцевый инструмент
        • Шестигранники, TORX, SPLINE
        • Электромонтажный инструмент
      • Сопутствующие товары      
        • Заклепочники
        • Мебель пластиковая
        • Пистолеты для герметиков и клея
        • Пистолеты клеевые
        • Пульверизатор технических жидкостей
        • Средства защиты
        • Сумки для инструмента
        • Щетки ручные
      • Специнструмент      
        • Вспомогательный инструмент
        • Выхлопная система
        • Газораспределительный механизм
        • Колеса автомобиля
        • Подвеска автомобиля
        • Поршневая группа
        • Ремонт кузова
        • Ремонт салона
        • Ремонт стекол
        • Система охлаждения
        • Система питания
        • Система смазки
        • Тормозная система
        • Трансмиссия
        • Электрооборудование
    • KRAFTOOL
      KRAFTOOL
      • Автотовары      
        • Автомобильные домкраты
        • Гаечные ключи
        • Гидравлический инструмент
        • Дополнительное оборудование
        • Наборы ручного инструмента
        • Рихтовочные молотки
        • Системы хранения
        • Съемники
        • Торцовые головки
      • Измерительный инструмент      
        • Детекторы проводки
        • Курвиметры (измерительные колеса)
        • Лазерные дальномеры/рулетки
        • Лазерные уровни построители плоскостей
        • Мерные ленты
        • Метры складные
        • Оптические нивелиры
        • Пирометры (инфракрасные термометры)
        • Приемники луча и мишени для лазерного уровня
        • Рейки нивелирные
        • Рулетки измерительные
        • Тепловизоры
        • Транспортиры угломеры
        • Угольники
        • Уровни магнитные
        • Уровни строительные
        • Штангенциркули
        • Штативы для нивелиров
      • Крепеж, Пена, Герметики      
        • Анкерный крепеж
        • Заклепки
        • Метрический крепеж
        • Саморезы
        • Строительная химия
      • Расходные материалы и оснастка      
        • SDS оснастка
        • Абразивная оснастка
        • Алмазная оснастка
        • Биты для шуруповерта
        • Буровые коронки для дрели
        • Зубила для отбойного молотка
        • Оснастка пневматическая
        • Пилы, Полотна
        • Пильные диски для дисковых пил
        • Сварочные принадлежности
        • Сверла
        • Шины направляющие
      • Ручной инструмент      
        • Выколотки
        • Гвоздодеры и ломы
        • Дрели ручные
        • Заклепочники
        • Зубила
        • Инструмент для работы с кафелем
        • Инструмент для работы со стеклом
        • Кернеры
        • Малярно-штукатурный инструмент
        • Молотки и кувалды
        • Ножи
        • Отвертки
        • Паяльное оборудование
        • Степлеры строительные
        • Столярный инструмент
        • Тиски и струбцины
        • Шарнирно-губцевый инструмент
      • Сантехника и Тепло      
        • Сантехнические инструменты
      • Силовая техника      
        • Грузоподъемное оборудование
        • Компрессоры воздушные
        • Пневмоинструмент
      • Средства индивидуальной защиты      
        • Защита глаз и лица
        • Защита рук
        • Наколенники для работы
        • Наушники защитные
      • Станки      
        • Гидравлические прессы
        • Тиски станочные
      • Туризм и Отдых      
        • Мангалы
        • Ножи трансформеры
        • Топоры туристические
        • Фонари туристические
        • Шампуры
      • Хозтовары      
        • Ножницы
        • Тележки хозяйственные
      • Электрика и Свет      
        • Инструмент электрика
        • Удлинители электрические
      • Еще
    • MIGHTY SEVEN
      MIGHTY SEVEN
      • Автосервисное оборудование      
        • Вспомогательное оборудование
        • Пневмолинии
      • Пневматический инструмент      
        • Пневматические бормашины (шарошки)
        • Пневматические гайковерты
        • Пневматические дрели
        • Пневматические заклепочники
        • Пневматические зубила
        • Пневматические лобзики
        • Пневматические машины зачистные
        • Пневматические ножи
        • Пневматические ножницы
        • Пневматические пистолеты для масел и смазок
        • Пневматические пистолеты сервисные
        • Пневматические реноваторы
        • Пневматические трещотки
        • Пневматические шлифмашины вибрационные
        • Пневматические шлифмашины ленточные
        • Пневматические шлифмашины орбитальные
        • Пневматические шлифмашины полировальные
        • Пневматические шлифмашины угловые (УШМ)
        • Пневматические шприцы
        • Пневматические шуруповерты
        • Принадлежности для пневмоинструмента
      • Расходные материалы      
        • Абразивные материалы
      • Ручной инструмент      
        • Готовые решения
        • Режущий инструмент
        • Торцевые головки и принадлежности
      • Сервис и ремонт      
        • Ремкомплекты для пневмоинструмента
      • Сопутствующие товары      
        • Заклепочники
        • Средства защиты
        • Сумки для инструмента
      • Специнструмент      
        • Вспомогательный инструмент
      • Электроинструмент      
        • Аккумуляторный инструмент
    • NORDBERG
      NORDBERG
      • Автосервисное оборудование      
        • Автомобильные подъемники
        • Вспомогательное оборудование
        • Гидравлическое оборудование
        • Диагностическое оборудование
        • Домкраты и подставки
        • Замена масла и жидкостей
        • Кузовной ремонт
        • Обслуживание аккумуляторов
        • Окрасочное оборудование
        • Пневмолинии
        • Ремонт автомобильных кондиционеров
        • Стенды развал схождение
        • Удаление выхлопных газов
        • Шиномонтажное оборудование
      • Автохимия      
        • Пасты для рук
      • Металлическая мебель      
        • Мебель для автосервиса
        • Тележки
      • Пневматический инструмент      
        • Пневматические краскопульты
        • Пневматические пистолеты сервисные
        • Пневматические шлифмашины орбитальные
        • Принадлежности для пневмоинструмента
      • Расходные материалы      
        • Скобы для степлера
      • Ручной инструмент      
        • Измерительный инструмент
      • Силовое оборудование      
        • Воздушные компрессоры
        • Сварочное оборудование
      • Сопутствующие товары      
        • Мебель пластиковая
        • Средства защиты
      • Специнструмент      
        • Вспомогательный инструмент
        • Подвеска автомобиля
        • Ремонт кузова
        • Система кондиционирования
        • Система питания
        • Тормозная система
      • Электроинструмент      
        • Аккумуляторный инструмент
        • Другие инструменты
        • Отрезные и шлифовальные машины
        • Полировальные и шлифовальные машины
        • Пылесосы
        • Сетевые дрели
        • Станки
        • Термофены
    • OLFA
      OLFA
      • Ручной инструмент      
        • Инструмент для работы с кафелем
        • Ножи
      • Хозтовары      
        • Ножи хозяйственные
        • Ножницы
    • STAYER
      STAYER
      • Автотовары      
        • Автомобильные домкраты
        • Буксировочные тросы
        • Гаечные ключи
        • Наборы для ремонта шин
        • Наборы ручного инструмента
        • Рихтовочные молотки
        • Системы хранения
        • Съемники
        • Торцовые головки
        • Шприцы для смазки ручные
        • Щетки-сметки
      • Всё для сада      
        • Садовый инструмент
      • Измерительный инструмент      
        • Гидроуровни
        • Детекторы проводки
        • Курвиметры (измерительные колеса)
        • Лазерные дальномеры/рулетки
        • Лазерные уровни построители плоскостей
        • Линейки
        • Мерные ленты
        • Метры складные
        • Мультиметры цифровые
        • Отвесы строительные
        • Рулетки измерительные
        • Счетчики
        • Угольники
        • Уровни магнитные
        • Уровни строительные
        • Штангенциркули
      • Крепеж, Пена, Герметики      
        • Дюбельный крепеж
        • Заклепки
        • Саморезы
        • Строительная химия
        • Такелажный крепеж
        • Хомуты
        • Электромонтажный крепеж
      • Расходные материалы и оснастка      
        • SDS оснастка
        • Абразивная оснастка
        • Алмазная оснастка
        • Биты для шуруповерта
        • Буровые коронки для дрели
        • Диски по дереву для болгарки
        • Насадки для гравера
        • Насадки для строительного миксера
        • Оснастка и приспособления для электроинструмента
        • Пилы, Полотна
        • Пильные диски для дисковых пил
        • Полировальные насадки
        • Сварочные принадлежности
        • Сверла
        • Фрезы
        • Щетки крацовки
      • Ручной инструмент      
        • Выколотки
        • Гвоздодеры и ломы
        • Заклепочники
        • Захваты для грузов
        • Зубила
        • Инструмент для арматуры
        • Инструмент для работы с кафелем
        • Инструмент для работы с кожей
        • Инструмент для работы со стеклом
        • Кернеры
        • Малярно-штукатурный инструмент
        • Молотки и кувалды
        • Ножи
        • Отвертки
        • Паяльное оборудование
        • Резьбонарезной инструмент
        • Степлеры строительные
        • Столярный инструмент
        • Тиски и струбцины
        • Шарнирно-губцевый инструмент
      • Сантехника и Тепло      
        • Инженерная сантехника
        • Сантехнические инструменты
      • Силовая техника      
        • Грузоподъемное оборудование
        • Пневмоинструмент
      • Средства индивидуальной защиты      
        • Защита глаз и лица
        • Защита дыхания
        • Защита рук
        • Наколенники для работы
        • Наушники защитные
        • Спецодежда
      • Станки      
        • Станки Stayer
      • Туризм и Отдых      
        • Мангалы
        • Ножи трансформеры
        • Ножи туристические
        • Плащи
        • Термосы
        • Топоры туристические
        • Фонари налобные
      • Хозтовары      
        • Диспенсеры для скотча
        • Замки навесные
        • Клейкие ленты (скотч)
        • Мешки для мусора
        • Москитные сетки
        • Мышеловки
        • Накладки на мебельные ножки
        • Ножи хозяйственные
        • Ножницы
        • Оптические приборы, лупы
        • Ремни для крепления груза
        • Сигнальные ленты
        • Скобяные изделия и дверная фурнитура
        • Тележки хозяйственные
        • Шнуры, Веревки, Шпагаты
        • Щетки и метлы
      • Электрика и Свет      
        • Инструмент электрика
        • Светильники и прожекторы
        • Тройники электрические
        • Удлинители электрические
        • Электроустановочные изделия
      • Еще
    • STEHER
      STEHER
      • Аккумуляторный инструмент      
        • Аккумуляторные винтоверты
        • Аккумуляторные гайковерты
        • Аккумуляторные дрели шуруповерты
        • Аккумуляторы для инструмента
        • Зарядные устройства
      • Всё для сада      
        • Мойки высокого давления
        • Техника для сада
      • Расходные материалы и оснастка      
        • Масла и смазки
      • Силовая техника      
        • Генераторы и электростанции
        • Мотопомпы ЗУБР
        • Сварочное оборудование
        • Тепловые пушки и обогреватели
      • Строительное оборудование      
        • Бетоносмесители STEHER
      • Электроинструменты      
        • Электрические реноваторы
        • Электропилы
    • STIHL
      STIHL
      • Бензопилы STIHL
      • Триммеры STIHL
    • STURM
      STURM
      • Климатическое оборудование      
        • Вентиляторы электрические
        • Обогреватели
        • Тепловые пушки
      • Насосное оборудование      
        • Автоматические реле давления
        • Аксессуары для насосного оборудования
        • Дренажные насосы
        • Мотопомпы
        • Насосные станции
        • Насосы повысительные циркуляционные
        • Насосы циркуляционные
        • Поверхностные насосы
        • Скважинные насосы
        • Фекальные насосы
        • Фонтанные насосы
      • Ручной инструмент      
        • Измерительный инструмент
        • Крепежный инструмент
        • Прочий инструмент
        • Расходные материалы
        • Садовый инструмент
        • Слесарный инструмент
        • Столярный инструмент
        • Строительно-отделочный инструмент
      • Садовая и дачная техника      
        • Аксессуары для садовой и дачной техники
        • Газонокосилки
        • Дровоколы
        • Зернодробилки
        • Измельчители садовые
        • Культиваторы
        • Кусторезы аккумуляторные
        • Мойки высокого давления
        • Мотоблоки
        • Пилы цепные
        • Пылесосы садовые
        • Скарификаторы
        • Снегоуборочные машины
        • Триммеры
      • Сварочное оборудование      
        • Аксессуары для сварочного оборудования
        • Сварочные инверторы
        • Сварочные маски
      • Силовая техника      
        • Аксессуары для силовой техники
        • Генераторы
        • Зарядные и пускозарядные устройства
        • Компрессоры
        • Пневматический инструмент
        • Тельферы
      • Станки      
        • Аксессуары
        • Деревообработка
        • Металлообработка, точение, шлифовка
        • Плиткорезные станки
        • Сверлильные станки
      • Строительное оборудование      
        • Аксессуары для строительного оборудования
        • Бетономешалки
        • Вибраторы
        • Виброплиты
        • Мотобуры
      • Электроинструмент      
        • Аккумуляторный инструмент
        • Аксессуары
        • Аппараты для сварки пластиковых труб
        • Гайковерты
        • Граверы
        • Дрели
        • Краскопульты электрические
        • Лобзики электрические
        • Отбойные молотки
        • Перфораторы
        • Пилы
        • Пистолеты клеевые
        • Полировальные машины
        • Пылесосы строительные
        • Рубанки электрические
        • Уровни лазерные
        • Фены технические
        • Фрезеры
        • Шлифовальные машины
        • Штроборезы
        • Шуруповерты
    • TOLSEN
      TOLSEN
      • Автосервисное оборудование      
        • Вспомогательное оборудование
      • Ручной инструмент      
        • Измерительный инструмент
        • Ключи
        • Наборы инструмента универсальные
        • Отвертки
        • Режущий инструмент
        • Торцевые головки и принадлежности
        • Торцевые головки, насадки и принадлежности ударные
        • Торцевые насадки и вставки (биты)
        • Ударный инструмент
        • Шарнирно-губцевый инструмент
        • Шестигранники, TORX, SPLINE
        • Электромонтажный инструмент
      • Сопутствующие товары      
        • Заклепочники
        • Рабочая одежда
        • Щетки ручные
      • Специнструмент      
        • Вспомогательный инструмент
        • Система смазки
    • URAGAN
      URAGAN
      • Автотовары      
        • Гаечные ключи
      • Аккумуляторный инструмент      
        • Зарядные устройства
      • Расходные материалы и оснастка      
        • SDS оснастка
        • Абразивная оснастка
        • Алмазная оснастка
        • Буровые коронки для дрели
        • Зубила для отбойного молотка
        • Пилы, Полотна
        • Пильные диски для дисковых пил
        • Сверла
      • Электроинструменты      
        • Пылесосы
    • YARD FOX
      YARD FOX
      • Аккумуляторная техника
      • Вертикуттеры
      • Газонокосилки      
        • Бензиновые газонокосилки
        • Колесные триммеры
        • Электрические газонокосилки
      • Измельчители
      • Подметальные машины
      • Снегоуборщики
      • Тракторы
    • БЕЛМАШ
      БЕЛМАШ
      • Деревообрабатывающие станки      
        • Ленточные пилы по дереву
        • Лобзиковые станки
        • Многофункциональные деревообрабатывающие станки
        • Распиловочные станки
        • Рейсмусовые станки
        • Сверлильные станки
        • Стружкоотсосы
        • Токарные станки по дереву
        • Торцовочные пилы BELMASH
        • Фрезерные станки
        • Фрезерные столы / двигатели
        • Фуговально-рейсмусовые станки
        • Фуговальные станки
        • Шлифовальные станки
      • Дополнительное оборудование      
        • Для вытяжных установок
        • Для заточных станков
        • Для комбинированных станков
        • Для круглопильных станков
        • Для сверлильных станков
        • Для токарных станков
        • Для фрезерных станков
        • Для шлифовальных станков
        • Измерительные принадлежности
        • Принадлежности для склейки
        • Строгальные валы
        • Струбцины / зажимы
        • Тележки для листовых материалов
        • Толкатели заготовки
      • Запчасти запчасти для станков BELMASH      
        • Запчасти для многофункциональных станков
        • Запчасти для шлифовальных BELMASH
      • Расходные материалы      
        • Дисковые фрезы по дереву
        • Заточные диски
        • Нейлоновые щетки
        • Переходные кольца для дисков и фрез
        • Пильные диски
        • Пильные полотна
        • Расходные материалы
        • Ремни
        • Строгальные ножи
        • Шлифовальные втулки
        • Шлифовальные диски
        • Шлифовальные ленты
      • Станки по металлу      
        • Вытяжные установки по металлу
        • Заточные станки
      • Строительное оборудование BELMASH      
        • Миксерные установки BELMASH
        • Станки для резки газобетона (Блокорезы)
        • Строительные электрорубанки BELMASH
      • Техника для сада      
        • Кинетические дровоколы
        • Мангалы и печи-щепочницы
    • БОЕКОМПЛЕКТ
      БОЕКОМПЛЕКТ
      • Ручной инструмент      
        • Расходные материалы
        • Слесарный инструмент
    • Вихрь
      Вихрь
      • Автотовары      
        • Наборы инструмента
      • Все для строительства      
        • Бетономешалки
        • Изоленты
        • Краскопульты
        • Лестницы/стремянки
        • Насадки-миксеры
      • Инструменты      
        • Измерительные приборы
        • Комплектующие для электроинструмента
        • Ручной инструмент
        • Электроинструмент
      • Насосное оборудование      
        • Автоматика для насосов
        • Вибрационные насосы
        • Гидроаккумуляторы
        • Дренажные насосы
        • Комплектующие для насосов
        • Насосные станции
        • Поверхностные насосы
        • Скважинные насосы
        • Фекальные насосы
        • Циркуляционные насосы
      • Расходные материалы      
        • Крепеж
        • Круги и диски
      • Садовая техника      
        • Зернодробилки
        • Комплектующие для садовой техники
        • Умывальники
      • Силовая техника      
        • Компрессоры
    • ЗУБР
      ЗУБР
      • Автотовары      
        • Автомобильные домкраты
        • Буксировочные тросы
        • Гаечные ключи
        • Гидравлический инструмент
        • Дополнительное оборудование
        • Лежаки и сиденья
        • Наборы ручного инструмента
        • Прессы
        • Пусковые провода для автомобилей
        • Системы хранения
        • Съемники
        • Торцовые головки
        • Щетки-сметки
        • Щупы
      • Аккумуляторный инструмент      
        • Аккумуляторные гайковерты
        • Аккумуляторные дрели шуруповерты
        • Аккумуляторные ножовки
        • Аккумуляторные отвертки ЗУБР
        • Аккумуляторные перфораторы
        • Аккумуляторные реноваторы
        • Аккумуляторные УШМ
        • Аккумуляторные цепные пилы
        • Аккумуляторные циркулярные пилы
        • Аккумуляторы для инструмента
        • Зарядные устройства
      • Всё для сада      
        • Аксессуары для моек высокого давления
        • Все для полива
        • Мойки высокого давления
        • Садовый инструмент
        • Тачки, носилки
        • Техника для сада
        • Электрические водяные насосы
      • Измерительный инструмент      
        • Видеоэндоскопы
        • Гидроуровни
        • Детекторы проводки
        • Курвиметры (измерительные колеса)
        • Лазерные дальномеры/рулетки
        • Лазерные уровни построители плоскостей
        • Линейки
        • Мерные ленты
        • Метры складные
        • Микрометры
        • Мультиметры цифровые
        • Оптические нивелиры
        • Отвесы строительные
        • Пирометры (инфракрасные термометры)
        • Приемники луча и мишени для лазерного уровня
        • Рейки нивелирные
        • Рулетки измерительные
        • Тепловизоры
        • Транспортиры угломеры
        • Угольники
        • Уровни магнитные
        • Уровни строительные
        • Штангенциркули
        • Штативы для нивелиров
      • Крепеж, Пена, Герметики      
        • Анкерный крепеж
        • Гвозди
        • Дюбельный крепеж
        • Заклепки
        • Крепеж для вагонки
        • Крепеж для керамогранита
        • Крепеж для маяков
        • Крепеж для террасной доски
        • Мебельный крепеж
        • Метрический крепеж
        • Перфорированный крепеж
        • Проволока
        • Саморезы
        • Сантехнический крепеж
        • Скобы
        • Строительная химия
        • Такелажный крепеж
        • Хомуты
        • Шины монтажные
        • Электромонтажный крепеж
      • Расходные материалы и оснастка      
        • SDS оснастка
        • Абразивная оснастка
        • Алмазная оснастка
        • Биты для шуруповерта
        • Буровые коронки для дрели
        • Диски по дереву для болгарки
        • Зенкеры
        • Зубила для отбойного молотка
        • Канистры
        • Масла и смазки
        • Насадки для гравера
        • Насадки для реноватора
        • Насадки для строительного миксера
        • Оснастка и приспособления для электроинструмента
        • Оснастка пневматическая
        • Пилы, Полотна
        • Пильные диски для дисковых пил
        • Полировальные насадки
        • Сварочные принадлежности
        • Сверла
        • Фрезы
        • Шины направляющие
        • Щетки крацовки
      • Ручной инструмент      
        • Выколотки
        • Гвоздодеры и ломы
        • Заклепочники
        • Захваты для грузов
        • Зубила
        • Инструмент для арматуры
        • Инструмент для работы с кафелем
        • Инструмент для работы с кожей
        • Инструмент для работы со стеклом
        • Кернеры
        • Малярно-штукатурный инструмент
        • Молотки и кувалды
        • Ножи
        • Отвертки
        • Паяльное оборудование
        • Пинцеты
        • Резьбонарезной инструмент
        • Степлеры строительные
        • Столярный инструмент
        • Тиски и струбцины
        • Шарнирно-губцевый инструмент
      • Сантехника и Тепло      
        • Инженерная сантехника
        • Сантехнические инструменты
      • Силовая техника      
        • Генераторы и электростанции
        • Грузоподъемное оборудование
        • Компрессоры воздушные
        • Мотопомпы ЗУБР
        • Пневмоинструмент
        • Пуско-зарядные и зарядные устройства
        • Сварочное оборудование
        • Стабилизаторы напряжения
        • Тепловые пушки и обогреватели
      • Средства индивидуальной защиты      
        • Защита глаз и лица
        • Защита дыхания
        • Защита рук
        • Каски защитные
        • Наколенники для работы
        • Наушники защитные
        • Спецодежда
        • Страховочные монтажные пояса
      • Станки      
        • Арматурогибы
        • Гидравлические прессы
        • Граверы ЗУБР
        • Заточные и шлифовальные станки ЗУБР
        • Плиткорезы электрические ЗУБР
        • Принадлежности для станков
        • Распиловочные станки
        • Рейсмусовые станки ЗУБР
        • Станки лобзиковые ЗУБР
        • Станки сверлильные ЗУБР
        • Станки токарные ЗУБР
        • Тиски станочные
        • Шиногибы
      • Строительное оборудование      
        • Бетоносмесители ЗУБР
        • Виброплиты ЗУБР
        • Строительные ходули
        • Швонарезчики ЗУБР
      • Строительные материалы      
        • Прочие строительные материалы
        • Штукатурные маяки
      • Туризм и Отдых      
        • Горелки туристические
        • Ножи трансформеры
        • Ножи туристические
        • Плащи
        • Термосы
        • Топоры туристические
        • Фонари налобные
        • Фонари туристические
      • Хозтовары      
        • Диспенсеры для скотча
        • Замки навесные
        • Замки тросовые
        • Клейкие ленты (скотч)
        • Мешки для мусора
        • Ножи хозяйственные
        • Ножницы
        • Оптические приборы, лупы
        • Протирочная бумага
        • Ремни для крепления груза
        • Сигнальные ленты
        • Скобяные изделия и дверная фурнитура
        • Тележки хозяйственные
        • Уплотнители
        • Хозтовары ЗУБР
        • Шнуры, Веревки, Шпагаты
        • Щетки и метлы
      • Электрика и Свет      
        • Аксессуары для кабеленесущих систем
        • Батарейки и аккумуляторы
        • Инструмент электрика
        • Кабель и провод
        • Светильники и прожекторы
        • Удлинители электрические
      • Электроинструменты      
        • Гайковерты электрические ЗУБР
        • Дрели ЗУБР
        • Краскопульты электрические ЗУБР
        • Миксеры строительные ЗУБР
        • Ножницы листовые
        • Отбойные молотки электрические ЗУБР
        • Перфораторы
        • Полировальные машины
        • Пылесосы
        • Степлеры электрические
        • УШМ (Болгарки) ЗУБР
        • Фены строительные ЗУБР
        • Фрезеры
        • Шлифовальные машинки
        • Штроборезы ЗУБР
        • Шуруповерты сетевые
        • Электрические реноваторы
        • Электролобзики ЗУБР
        • Электропилы
        • Электрорубанки
      • Еще
    • МАСТАК
      МАСТАК
      • Автосервисное оборудование      
        • Вспомогательное оборудование
        • Гидравлическое оборудование
        • Замена масла и жидкостей
        • Малая диагностика
        • Пневмолинии
        • Ремонт автомобильных кондиционеров
      • Металлическая мебель      
        • Комплектующие для тележек
        • Тележки
        • Ящики для инструмента металлические
      • Пневматический инструмент      
        • Пневматические пистолеты для масел и смазок
        • Принадлежности для пневмоинструмента
      • Ручной инструмент      
        • Готовые решения
        • Динамометрический инструмент
        • Диэлектрический инструмент
        • Измерительный инструмент
        • Ключи
        • Наборы инструмента универсальные
        • Отвертки
        • Режущий инструмент
        • Резьбонарезной инструмент
        • Торцевые головки и принадлежности
        • Торцевые головки, насадки и принадлежности ударные
        • Торцевые насадки и вставки (биты)
        • Ударный инструмент
        • Шарнирно-губцевый инструмент
        • Шестигранники, TORX, SPLINE
        • Электромонтажный инструмент
      • Сопутствующие товары      
        • Заклепочники
        • Пистолеты для герметиков и клея
        • Средства защиты
      • Специнструмент      
        • Вспомогательный инструмент
        • Выхлопная система
        • Газораспределительный механизм
        • Колеса автомобиля
        • Подвеска автомобиля
        • Поршневая группа
        • Ремонт кузова
        • Ремонт салона
        • Ремонт стекол
        • Рулевое управление
        • Система зажигания
        • Система кондиционирования
        • Система охлаждения
        • Система питания
        • Система смазки
        • Тормозная система
        • Трансмиссия
        • Электрооборудование
    • Ресанта
      Ресанта
      • Водонагреватели
      • Все для строительства      
        • Краскопульты
      • Инструменты      
        • Измерительные приборы
        • Комплектующие для электроинструмента
        • Электроинструмент
      • Климатическая техника      
        • Конвекторы
        • Обогреватели
        • Тепловые пушки
        • Увлажнители воздуха
      • Лампы
      • Мойки высокого давления
      • Насосное оборудование      
        • Вибрационные насосы
        • Дренажные насосы
        • Канализационные насосы
        • Насосные станции
        • Поверхностные насосы
        • Скважинные насосы
        • Фекальные насосы
        • Циркуляционные насосы
      • Расходные материалы      
        • Для сварки
      • Садовая техника      
        • Бензопилы
        • Газонокосилки бензиновые
        • Газонокосилки электрические
        • Комплектующие для садовой техники
        • Мотобуры
        • Мотокультиваторы
        • Мотопомпы
        • Опрыскиватели
        • Садовые измельчители
        • Снегоуборщики
        • Триммеры аккумуляторные
        • Триммеры бензиновые
        • Триммеры электрические
        • Электропилы
      • Сварочное оборудование      
        • Сварочные аппараты
        • Сварочные аппараты для ПВХ труб
        • Сварочные горелки
        • Сварочные краги
        • Сварочные маски
        • Сварочные принадлежности
      • Силовая техника      
        • Автоматические устройства защиты
        • Автотрансформаторы
        • Генераторы
        • Источники бесперебойного питания
        • Компрессоры
        • Стабилизаторы напряжения
        • Удлинители силовые
      • Еще
    • СОЮЗ
      СОЮЗ
      • Климатическое оборудование      
        • Обогреватели
        • Тепловые пушки
      • Насосное оборудование      
        • Вибрационные насосы
        • Насосные станции
        • Скважинные насосы
        • Фекальные насосы
      • Ручной инструмент      
        • Измерительный инструмент
        • Крепежный инструмент
        • Прочий инструмент
        • Расходные материалы
        • Садовый инструмент
        • Слесарный инструмент
        • Столярный инструмент
        • Строительно-отделочный инструмент
      • Садовая и дачная техника      
        • Аксессуары для садовой и дачной техники
        • Пилы цепные
        • Триммеры
      • Сварочное оборудование      
        • Сварочные инверторы
        • Сварочные маски
        • Сварочные полуавтоматы
      • Силовая техника      
        • Аксессуары для силовой техники
        • Генераторы
        • Зарядные и пускозарядные устройства
        • Компрессоры
      • Станки      
        • Аксессуары
        • Металлообработка, точение, шлифовка
      • Строительное оборудование      
        • Аксессуары для строительного оборудования
        • Мотобуры
      • Электроинструмент      
        • Аксессуары
        • Аппараты для сварки пластиковых труб
        • Граверы
        • Дрели
        • Краскопульты электрические
        • Лобзики электрические
        • Отбойные молотки
        • Перфораторы
        • Пилы
        • Пистолеты клеевые
        • Пистолеты паяльные и паяльники
        • Пылесосы строительные
        • Рубанки электрические
        • Фены технические
        • Шлифовальные машины
        • Шуруповерты
    Каталог
    По всему сайту
    По каталогу
    ТЕХСАД
    Каталог
    Каталог
    По всему сайту
    По каталогу
    ТЕХСАД
    Телефоны
    +7(916) 106-54-84 Интернет магазин
    +7 (995) 788-59-62 Менеджер
    +7 (929) 605-16-50 Менеджер
    Заказать звонок
    ТЕХСАД
    • +7(916) 106-54-84 Интернет магазин
      • Назад
      • Телефоны
      • +7(916) 106-54-84 Интернет магазин
      • +7 (995) 788-59-62 Менеджер
      • +7 (929) 605-16-50 Менеджер
      • Заказать звонок
    • zakaz@techsad.ru
    • г. Наро-Фоминск, ул. Полубоярова 1а
    • Пн. – Вс.: с 9:00 до 19:00
    Главная
    Каталог
    БЕЛМАШ
    Расходные материалы
    Дисковые фрезы по дереву
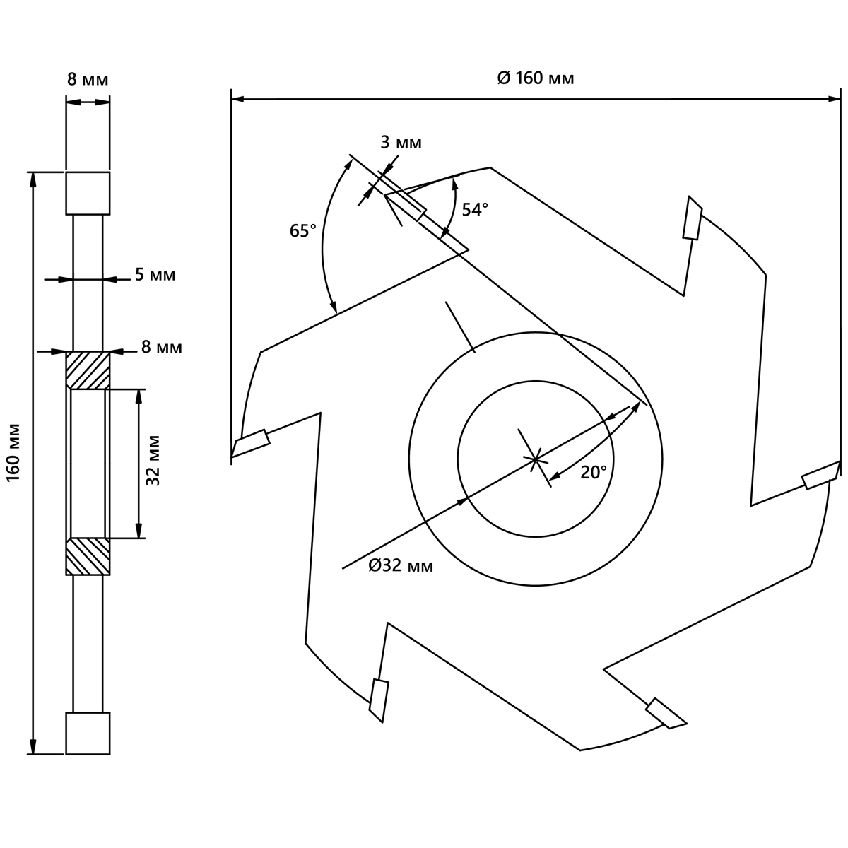
    Фреза пазовая BELMASH 160х32х8 мм
    Фреза пазовая BELMASH 160х32х8 мм купить по цене 4 080 ₽ в интернет магазине ТЕХСАД
    Фреза пазовая BELMASH 160х32х8 мм купить по цене 4 080 ₽ в интернет магазине ТЕХСАД
    Фреза пазовая BELMASH 160х32х8 мм купить по цене 4 080 ₽ в интернет магазине ТЕХСАД
    Фреза пазовая BELMASH 160х32х8 мм купить по цене 4 080 ₽ в интернет магазине ТЕХСАД
    Фреза пазовая BELMASH 160х32х8 мм купить по цене 4 080 ₽ в интернет магазине ТЕХСАД
    Фреза пазовая BELMASH 160х32х8 мм купить по цене 4 080 ₽ в интернет магазине ТЕХСАД
    Фреза пазовая BELMASH 160х32х8 мм купить по цене 4 080 ₽ в интернет магазине ТЕХСАД
    Фреза пазовая BELMASH 160х32х8 мм купить по цене 4 080 ₽ в интернет магазине ТЕХСАД
    Фреза пазовая BELMASH 160х32х8 мм купить по цене 4 080 ₽ в интернет магазине ТЕХСАД
    Фреза пазовая BELMASH 160х32х8 мм купить по цене 4 080 ₽ в интернет магазине ТЕХСАД
    Фреза пазовая BELMASH 160х32х8 мм купить по цене 4 080 ₽ в интернет магазине ТЕХСАД
    Фреза пазовая BELMASH 160х32х8 мм купить по цене 4 080 ₽ в интернет магазине ТЕХСАД
    Фреза пазовая BELMASH 160х32х8 мм купить по цене 4 080 ₽ в интернет магазине ТЕХСАД
    Фреза пазовая BELMASH 160х32х8 мм купить по цене 4 080 ₽ в интернет магазине ТЕХСАД
    Фреза пазовая BELMASH 160х32х8 мм купить по цене 4 080 ₽ в интернет магазине ТЕХСАД
    Фреза пазовая BELMASH 160х32х8 мм купить по цене 4 080 ₽ в интернет магазине ТЕХСАД

    Фреза пазовая BELMASH 160х32х8 мм

    0
    Нет отзывов
    Арт. RF0042T


    Диаметр дисковой фрезы : 160 мм |Посадочный диаметр дисковой фрезы : 32 мм |Количество зубьев : 6 шт |Тип фрезы : Пазовая |Ширина зубьев : 8 мм |Габаритный размер (Д × Ш × В) : 160 × 160 × 8 мм |Размер упаковки (Д × Ш × В) : 187 × 187 × 44 мм |Масса нетто : 0,46 кг |Масса брутто : 0,67 кг |
    Все описание
    БЕЛМАШ
    Все товары БЕЛМАШ
    Все товары категории
    4 280 ₽
    В корзину
    Купить в 1 клик
    Рассчитать доставку
    Нашли дешевле?
    Хочу в подарок
    Цена действительна только для интернет-магазина и может отличаться от цен в розничных магазинах
    • Описание
    • Отзывы
    • Оплата
    • Доставка


    Фреза пазовая (дисковая) BELMASH 160х32х8 мм применяется для выработки прямоугольных пазов, выборке четвертей и фрезеровании вдоль волокон в заготовках из древесины различных пород. Максимальная частота вращения – 6200 об./мин.


    Фреза имеет антикоррозионную обработку (никель-фосфорное гальваническое покрытие).


    В комплекте поставки есть переходное кольцо - 32/30 мм. Наружный диаметр 48 мм, ширина 10 мм + кольцо с бортиком 3 мм, суммарно ширина посадочного на вал - 13 мм. Масса кольца 30 грамм.


    Фреза упакована в пластиковый пенал.




    Рекомендации при установке/замене:
    • Отключите машину от питающей сети.
    • Соблюдайте правильную ориентацию режущих зубьев.
    • Производите необходимые действия в защитных перчатках для предотвращения травм.
    • Используйте оснастку, рекомендованную производителем оборудования.

    Основные параметры

    • Диаметр дисковой фрезы : 160 мм
    • Посадочный диаметр дисковой фрезы : 32 мм
    • Количество зубьев : 6 шт
    • Тип фрезы : Пазовая
    • Ширина зубьев : 8 мм
    • Габаритный размер (Д × Ш × В) : 160 × 160 × 8 мм
    • Размер упаковки (Д × Ш × В) : 187 × 187 × 44 мм
    • Масса нетто : 0,46 кг
    • Масса брутто : 0,67 кг


    Отзывы
    Загрузка отзывов...
    Нет отзывов
    Добавить отзыв
    • Наличными курьеру при получении заказа
    • Картой курьеру по терминалу (мобильный терминал у курьера)
    • Карта+наличные (частями) курьеру
    • Перевод с карты на карту курьеру
    • По счёту (возможно как с НДС, так и без НДС)
    • По счёту для физических лиц (Оплата через банк)
    • Вы можете оплатить частями используя систему Frilly
    • Оптовые продажи (цена по согласованию с менеджером)
    • Дропшиппинг (цена по согласованию с менеджером)
    ДОСТАВКА ПО МОСКВЕ И МОСКОВСКОЙ ОБЛАСТИ

    Наш магазин производит доставку квалифицированными специалистами по Москве и Московской области, Калужской области (Обнинск, Боровск и др.). Удобное время и день доставки вы сможете указать при оформлении заказа или обговорить по телефону с менеджером. +7(916) 106-54-84. Доставка по Москве в пределах МКАД осуществляется за сумму 500 руб. Доставка за пределы МКАД, обговаривается с менеджером по телефону. (с расчётом 30 руб/ км от МКАД ). Доставка может быть осуществлена непосредственно на дачный участок и тд. (по согласованию с менеджером).

    Самовывоз:
    г. Наро-Фоминск Полубоярова 1А

    Отправка почтой или транспортной компанией:
    Производим отправку по всей России: СДЕК, ПЭК и другие ТК
    Назад к списку
    Каталог
    Акции
    Бренды
    Услуги
    Блог
    Условия оплаты
    Условия доставки
    Контакты
    Магазины
    Гарантия на товар
    Оферта
    +7(916) 106-54-84
    +7(916) 106-54-84Интернет магазин
    +7 (995) 788-59-62Менеджер
    +7 (929) 605-16-50Менеджер
    Заказать звонок
    E-mail
    zakaz@techsad.ru
    Адрес
    г. Наро-Фоминск, ул. Полубоярова 1а
    Режим работы
    Пн. – Вс.: с 9:00 до 19:00
    zakaz@techsad.ru
    г. Наро-Фоминск, ул. Полубоярова 1а
    © 2025 ТЕХСАД интернет магазин электроинструмента, бензоинструмента, садовой техники и промышленного оборудования.
    Конфиденциальность
    Оферта